In the extreme climate of the Gulf, where summer temperatures consistently exceed 45°C, cooling is not a luxury; it is a fundamental requirement for urban survival and economic activity. The true powerhouses maintaining this livability are District Cooling (DC) plants. These facilities represent the most massive, concentrated district cooling electrical load profiles on the regional grid. Designing and integrating them safely requires engaging an expert electrical engineering consultancy in dubai from the very inception of the project to manage these astronomical power demands. A typical DC plant powering a sprawling development like Business Bay or Dubai Marina is essentially an industrial megawatt monster, consuming enough electricity to power a small city.
Because Dubai cooling infrastructure underpins the operation of high-rise commercial towers, luxury hotels, and critical data centers, the absolute necessity for uninterrupted cooling translates directly into a mandate for zero-failure electrical design. When a DC plant loses power, thousands of buildings lose their chilled water supply within minutes, risking widespread operational shutdown and severe financial impact. Therefore, the electrical architecture of a district cooling plant is a masterclass in scale, reliability, and precision. This guide explores the extreme engineering required to power, protect, and control these critical utility assets.
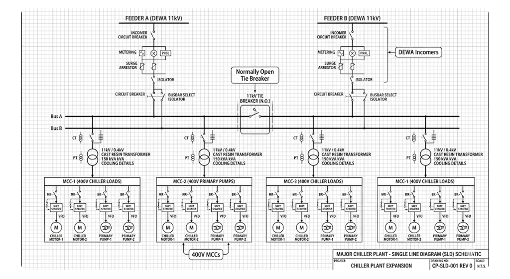
High-Voltage (11kV/33kV) Network Architecture
You cannot power a massive district cooling plant using standard low-voltage (400V) municipal networks. The power density required by rows of massive centrifugal chillers and primary chilled water pumps necessitates a fundamentally different approach to power delivery.
The Primary Substation Requirement
A large-scale DC plant often boasts a Total Connected Load (TCL) ranging from 20MW to upwards of 100MW. Supplying this level of power requires the construction of dedicated, integrated 11kV substation design directly on the plant footprint. In extreme cases, mega-plants are fed directly via 132kV/33kV transmission-level substations.
The DEWA Power Allocation Process
Securing this level of high voltage district cooling power is a major regulatory undertaking. Developers must submit extensive, phased load profiles to the Dubai Electricity and Water Authority (DEWA). DEWA assesses the local network’s hosting capacity to determine if dedicated feeders from multiple independent grid substations can be pulled to the DC plant. The electrical consultant must prove the load step-up timeline, demonstrating how the plant’s electrical demand will grow over a 5 to 10-year horizon as the surrounding real estate development reaches full occupancy.
Mastering the 2N and N+1 Redundancy Mandates
In a standard commercial building, an electrical outage is an inconvenience. In a district cooling plant, an outage is a catastrophic system failure. To guarantee continuous operation, the electrical design is built around strict redundancy topologies.
The 2N Power Architecture
To ensure zero cooling loss during a utility blackout or a localized equipment failure, engineers employ electrical redundancy 2N architectures.
- Dual Feeds: The plant is fed by at least two distinct, completely independent high-voltage utility feeders, ideally originating from two geographically separated DEWA primary substations.
- Dual-Busbar Switchgear: Inside the plant, the main 11kV switchgear utilizes a complex dual-busbar or double-bus double-breaker configuration. This allows the plant operators to seamlessly transfer the massive chiller loads from Bus A to Bus B without dropping power to the motors.
N+1 Equipment Redundancy
For district cooling reliability, individual critical components (like step-down transformers feeding the Motor Control Centers) are designed in an N+1 configuration. If the plant requires three transformers to run at peak capacity (N), a fourth identical transformer (+1) is installed and kept on hot standby. Sophisticated automated tie-breakers and PLC-driven logic ensure that if one transformer trips on a fault, the tie-breaker closes in milliseconds, transferring the load to the healthy transformers before the chilled water flow is impacted.

The Challenge of Massive Motor Starting Currents
The mechanical heart of a district cooling plant is the centrifugal chiller, which is driven by massive electric motors. A single 2,500 Ton of Refrigeration (TR) chiller can utilize an 11kV motor rated at several megawatts.
The Inrush Current Phenomenon
When you start a motor of this magnitude Direct-On-Line (DOL), it draws a massive starting current, often 5 to 7 times its normal full-load current. For a multi-megawatt motor, this large motor inrush current acts like a momentary short circuit on the grid.
- The Voltage Dip: If not properly mitigated, this massive current draw will cause a severe voltage dip across the entire plant’s electrical network. This dip can cause other running chillers to trip off, disrupt sensitive plant PLCs, and even trigger alarms on the external DEWA grid.
Advanced Starting Mitigation
To solve this, rigorous and advanced power systems analysis in dubai is mandatory. Electrical engineers use software like ETAP to simulate these dynamic motor starting events. Based on the simulation results, engineers design specialized starting methods for chiller motor starting, such as Auto-Transformer starters, Solid-State Soft Starters, or connecting the chillers directly to Variable Frequency Drives (VFDs) to gently ramp up the voltage and frequency, entirely eliminating the destructive electrical shockwave.
VFDs and Harmonic Mitigation Strategies
Modern district cooling plants must be highly energy-efficient. Operating massive pumps and cooling tower fans at 100% speed when the cooling demand is low is a massive waste of electricity. Therefore, Variable Frequency Drives (VFDs) are extensively deployed to optimize part-load efficiency.
The Cost of Efficiency: Harmonics
While VFDs save mechanical energy, they destroy electrical power quality. VFDs are non-linear loads that chop up the smooth AC sine wave, injecting severe VFD harmonic distortion back into the plant’s electrical grid.
- The Danger: These high-frequency harmonic currents cause standard cables and transformers to overheat severely. If left unchecked, harmonics can cause premature insulation failure and massive equipment fires. Furthermore, DEWA strictly enforces the IEEE 519 standard, which limits the amount of harmonic distortion a plant can inject back into the municipal grid.
Active Harmonic Filtering
To comply with these regulations and protect the plant assets, electrical engineers must implement robust active harmonic filter design. Unlike older passive filters, Active Harmonic Filters (AHF) continuously monitor the power line, calculate the exact inverse of the harmonic distortion wave, and inject that inverse wave back into the line to perfectly cancel out the electrical noise, resulting in clean, compliant power.
Power Factor Correction on a Massive Scale
In addition to harmonics, the sheer volume of induction motors in a DC plant (compressors, primary chilled water pumps, secondary pumps, and condenser water pumps) creates an intensely inductive electrical environment.
The Inductive Penalty
Induction motors require “reactive power” (kVAR) to generate their magnetic fields. This pulls the plant’s Power Factor (PF) down significantly. A low power factor means the plant is drawing more current from the utility than it is converting into actual cooling work.
- DEWA Regulations: DEWA monitors the PF of district cooling plants relentlessly. If the district cooling power factor drops below 0.95, the plant operator is hit with astronomical financial penalties on their monthly utility bill, which can run into millions of dirhams annually for a mega-plant.
Bulk Capacitor Banks
To counteract this, the electrical design incorporates bulk capacitor bank systems. These are massive, multi-stage, automated banks of capacitors that inject reactive power locally, feeding the motors exactly what they need so they don’t have to pull it from the DEWA grid. Because of the presence of VFDs, these capacitor banks must be “detuned” with specialized reactors to prevent them from amplifying the harmonic distortion and exploding.
Procurement of Custom Heavy Plant Equipment
Designing the electrical system is only half the battle; acquiring the equipment to build it presents one of the most significant logistical challenges in heavy construction. The equipment required for a DC plant is not kept on a shelf in a warehouse; it is highly customized.
Navigating Long Lead Times
Massive 11kV cast-resin transformers, multi-megawatt medium-voltage soft starters, and specialized dual-busbar 11kV switchgear sourcing require intense planning.
- The Timeline: The manufacturing, factory testing, shipping, and customs clearance for this heavy equipment can often exceed 12 to 14 months.
- Procurement Strategy: Utilizing an engineering firm that provides robust Electrical Plant Procurement services is vital. The technical specifications must be finalized, and Purchase Orders must be issued months before the concrete foundations are even poured, ensuring these critical components arrive in perfect synchronization with the civil construction schedule to avoid crippling project delays. Heavy electrical procurement for utility-scale projects is an intricate dance of technical compliance and global logistics.
Emergency Generator Sizing for Essential Plant Loads
When a total blackout occurs, a district cooling plant cannot rely on generators to run the massive chillers. The generator capacity required to run 20,000 TR of cooling would be the size of a small power station itself.
Backing Up the “Brain,” Not the Brawn
Instead, the plant emergency power strategy is designed to keep the plant “alive” and ready to instantly resume cooling the moment utility power returns.
- Essential Loads: The emergency diesel generators are meticulously sized to support critical life-support loads: the plant’s SCADA and control network, the motorized chilled water isolation valves, the jockey pumps (to maintain static pressure in the underground pipe network), emergency ventilation, and fire protection systems.
Synchronization and Control
For reliability, multiple smaller generators are often used instead of one massive unit. This requires a sophisticated generator synchronization panel that can detect a grid failure, automatically start the generator array, synchronize their sine waves perfectly, and parallel them onto the emergency busbar within 15 seconds of a blackout.
SCADA and Plant Automation Electrical Integration
A district cooling plant operates with a level of automation akin to an oil refinery. Dozens of chillers and hundreds of valves and pumps must operate in perfect, dynamic orchestration based on the exact temperature of the water returning from the city.
The Automation Nervous System
The Supervisory Control and Data Acquisition (SCADA) system is the brain of the operation.
- The Interface: The plant automation electrical design must facilitate thousands of hardwired and digital interface points. Every flow meter, differential pressure sensor, and temperature transmitter in the field must be wired back to distributed PLC (Programmable Logic Controller) remote IO panels.
- Uninterruptible Power: To ensure the operators never lose “sight” of the plant, the entire district cooling SCADA network, PLCs, and critical communication servers must be powered by enterprise-grade Uninterruptible Power Supply (UPS) systems, providing perfectly clean, battery-backed power that isolates the delicate computers from the harsh electrical noise of the heavy motor plant.

Frequently Asked Questions (FAQ)
1. Why do District Cooling plants use 11kV motors instead of standard 400V motors?
As motor size increases into the thousands of kilowatts, drawing power at 400V would require an astronomically high current. This would require impossibly thick, heavy, and expensive copper cables. By operating at 11,000 Volts (11kV), the current is drastically reduced, allowing for normal-sized cables, lower heat losses, and vastly improved electrical efficiency.
2. What happens to the chilled water network during a total city power outage?
Because the massive chillers cannot be backed up by generators, active cooling stops. However, the thousands of miles of insulated underground piping act as a massive thermal battery. The chilled water already in the pipes will continue to provide a degree of ambient cooling to the connected buildings for several hours before the temperature rises uncomfortably.
3. How does DEWA measure the Power Factor for such a massive facility?
DEWA installs highly advanced, bidirectional smart utility meters at the primary 11kV intake of the plant. These meters calculate the real power (kW) and reactive power (kVAR) continuously in real-time, instantly flagging any drop below the strict 0.95 threshold and triggering automated billing penalties.
4. What is a “Soft Starter” and why is it used on chiller motors?
A soft starter is a solid-state electrical device that temporarily reduces the voltage and torque applied to an AC motor during startup. Instead of the motor violently jerking to full speed and pulling a massive current spike, the soft starter gently “ramps up” the voltage over 10-30 seconds, protecting both the mechanical compressor and the electrical grid.
5. Why are Active Harmonic Filters preferred over Passive Filters in DC plants?
A passive filter is a fixed set of capacitors and inductors tuned to absorb one specific harmonic frequency at a specific load. Because a DC plant uses VFDs that constantly change speed based on cooling demand, the harmonic profile is always shifting. Active filters act dynamically, constantly analyzing the changing harmonic noise and instantly adjusting their output to cancel it out, providing far superior protection across all load profiles.
Conclusion & Next Steps: Engineering for Ultimate Efficiency
The electrical design of a District Cooling plant in Dubai is an intricate high-wire act. Engineers must balance the delivery of massive, heavy-industrial power with the precision required to protect highly sensitive automation systems. It is an environment where the failure to properly calculate an inrush current, mitigate a harmonic frequency, or procure a specialized 11kV switchgear on time can result in catastrophic financial losses and operational failures.
Achieving success requires a design philosophy that refuses to compromise on redundancy, deeply respects the physics of high-voltage motor control, and strictly adheres to utility grid codes.
Are you planning a utility-scale infrastructure project?
When the stakes are measured in megawatts and millions of dirhams, you cannot rely on standard commercial engineering. You require dedicated heavy industrial expertise. Engage our specialized utility scale electrical engineering team to ensure your next project is flawlessly executed. As premier Dubai district cooling consultants, Elecwatts provides the rigorous power system analysis, robust procurement strategies, and complex SCADA integration required to turn a massive electrical load into a highly efficient, ultra-reliable cooling powerhouse.
Contact Elecwatts today to secure the electrical integrity of your district cooling infrastructure.
